| Наличие: | |
|---|---|
| Количество: | |
Серия H — это мощная прямоугольная зубчатая передача, разработанная для универсальности. Он соединяет горизонтальные первичные двигатели (дизельные двигатели, электродвигатели, паровые турбины) с машинами с вертикальной осью. Благодаря широкому диапазону передаточных чисел он обеспечивает точное регулирование скорости для глубинных, осевых и диагональных насосов в различных климатических условиях.
Угловая трансмиссия: преобразует горизонтальное вращение первичного двигателя в вертикальное вращение насоса, обеспечивая экономичную и компактную компоновку по сравнению с вертикальными установками двигателя.
Встроенная поддержка осевой нагрузки: оснащена упорными подшипниками для тяжелых условий эксплуатации, которые непосредственно поддерживают вертикальные осевые силы, создаваемые насосом, что упрощает общую конструкцию машины за счет устранения необходимости во внешних упорных стойках.
Широкая совместимость: идеально сочетается с различными источниками энергии, включая дизельные двигатели , , горизонтальные двигатели и паровые турбины..
Всепогодные характеристики: Прочный корпус и система уплотнений подходят для различных климатических условий: от влажной морской среды до пыльных горнодобывающих предприятий.
Гибкие передаточные числа: доступны различные модели и передаточные числа, позволяющие удовлетворить требования как к высокой, так и к низкой скорости различных первичных двигателей и насосов.
Конструктивная простота: поглощая осевое усилие насоса непосредственно внутри приводного блока, он устраняет необходимость в сложных промежуточных конструкциях, сокращая время установки и затраты на техническое обслуживание.
Эксплуатационная надежность: Разработан для непрерывной работы в суровых условиях, обеспечивая стабильное водоснабжение для критически важных приложений, таких как пожаротушение и муниципальные водопроводные системы.
Универсальное согласование скорости. Если вам нужно снизить скорость для большого смешанного насоса или подобрать высокоскоростную турбину, широкий выбор передаточных чисел обеспечит оптимальную производительность насоса.
Экономичность и компактность: прямоугольная конструкция обеспечивает более низкий центр тяжести и более компактную площадь станции по сравнению с вертикальными двигателями с прямым приводом, что позволяет сэкономить на затратах на инфраструктуру.
Серия H широко используется в критически важных инфраструктурных и промышленных секторах:
| Отрасль/сектор | Конкретные приложения |
| Водное хозяйство | • Системы орошения и дренажа сельскохозяйственных угодий • Муниципальное водоснабжение и очистка сточных вод • Крупномасштабные проекты по водоотведению |
| Промышленность и горнодобывающая промышленность | • Нефтехимическое машиностроение (перекачка жидкостей) • Осушение металлургической шахты • Циркуляция технологической воды |
| Безопасность и Чрезвычайная ситуация | • Системы пожаротушения : идеально подходят для пожарных насосов с дизельным двигателем, где электричество недоступно или в качестве резервного. |
| Морская инженерия | • Насосы для подъема морской воды • Управление жидкостями на морской платформе • Борьба с прибрежными наводнениями |
| Совместимые типы насосов | • Длинноосные насосы • Глубокие скважинные насосы • Насосы с диагональным и осевым потоком • Погружные насосы |
Выбор модели: Наша команда инженеров может помочь в расчете необходимого крутящего момента и передаточного числа, соответствующих характеристикам вашего конкретного двигателя и насоса.
Персонализация: нестандартные размеры входного/выходного вала доступны по запросу.
Послепродажное обслуживание: Комплексная техническая поддержка и наличие запасных частей.
Таблица 1
Скорость вертикальной оси (об/мин) |
Скорость горизонтальной оси (об/мин) |
|||||||
Коэффициент увеличения скорости — Активный: ведомый |
||||||||
1:2 |
4:7 |
2:3 |
3:4 |
4:5 |
5:6 |
10:11 |
1:1 |
|
490 |
245 |
280 |
327 |
368 |
392 |
408 |
445 |
490 |
580 |
290 |
331 |
387 |
435 |
464 |
483 |
527 |
580 |
690 |
345 |
394 |
460 |
518 |
552 |
575 |
627 |
690 |
720 |
360 |
411 |
480 |
540 |
576 |
600 |
655 |
720 |
860 |
430 |
491 |
573 |
645 |
688 |
717 |
782 |
860 |
960 |
480 |
549 |
640 |
720 |
768 |
800 |
873 |
960 |
1160 |
580 |
663 |
773 |
870 |
928 |
967 |
1055 |
1160 |
1460 |
730 |
843 |
973 |
1095 |
1168 |
1217 |
1327 |
1460 |
1760 |
880 |
1006 |
1173 |
1320 |
1408 |
1467 |
1600 |
1760 |
3460* |
1730 |
1977 |
2307 |
2595 |
2768 |
2883 |
3145 |
3460 |
Скорость вертикальной оси (об/мин) |
Скорость горизонтальной оси (об/мин) |
||||||||||
Коэффициент уменьшения скорости — Активный: ведомый |
|||||||||||
11:10 |
6:5 |
5:4 |
4:3 |
3:2 |
7:4 |
2:1 |
9:4 |
5:2 |
3:1 |
4:1 |
|
490 |
539 |
588 |
613 |
653 |
735 |
858 |
980 |
1103 |
1225 |
1470 |
1960 |
580 |
638 |
696 |
725 |
733 |
870 |
1015 |
1160 |
1305 |
1450 |
1740 |
2320 |
690 |
759 |
828 |
863 |
920 |
1035 |
1208 |
1380 |
1553 |
1725 |
2070 |
— |
720 |
792 |
864 |
900 |
960 |
1080 |
1260 |
1440 |
1620 |
1800 |
2160 |
— |
860 |
946 |
1032 |
1075 |
1147 |
1290 |
1505 |
1720 |
1935 |
2150 |
2580 |
— |
960 |
1056 |
1152 |
1200 |
1280 |
1440 |
1680 |
1920 |
2160 |
2400 |
2880 |
— |
1160 |
1276 |
1392 |
1450 |
1547 |
1740 |
2030 |
2320 |
2610 |
2900 |
3480 |
— |
1460 |
1606 |
1752 |
1825 |
1947 |
2190 |
2555 |
2920 |
3285 |
3650 |
— |
— |
1760 |
1936 |
2112 |
2200 |
2347 |
2640 |
3080 |
3520 |
— |
— |
— |
— |
Пожалуйста, проконсультируйтесь в нашей компании
Модель |
Скорость вертикальной оси (об/мин) |
Власть л.с./кВт |
Стандартный | Тяжелый тип | двусторонний | ||
Одиночная тяга вниз (Н) |
Одиночная тяга вниз (Н) |
Максимальная тяга вниз или вверх (Н) | |||||
| Минимум | Максимум | Минимум | Максимум | ||||
Н80 |
860 |
46/34 |
9120 |
32900 |
6675 | 43200 |
19600 |
960 |
50/37 |
8980 |
31540 |
42100 |
19100 |
||
1160 |
58/43 |
8680 |
30700 |
40500 |
18250 |
||
1460 |
69/51 |
8000 |
28500 |
36900 |
16910 |
||
| 1760 | 80/60 | 7560 | 26700 | 35600 | 13350 | ||
H110 |
860 |
63/46 |
10450 |
32900 |
8000 | 43200 |
19600 |
960 |
69/51 |
9920 |
31540 |
42100 |
19100 |
||
1160 |
80/60 |
9790 |
30700 |
40500 |
18250 |
||
1460 |
95/70 |
9120 |
28500 |
37800 |
16910 |
||
| 1760 | 110/81 | 8450 | 26700 | 35600 | 13350 | ||
H125 |
720 | 63/46 | 12900 | 37800 | 12460 |
54300 |
22700 |
860 |
72/53 |
12000 |
35600 |
11800 |
51600 |
21400 |
|
960 |
79/58 |
11780 |
34790 |
11560 |
50400 |
21000 |
|
1160 |
90/66 |
11350 |
33400 |
11100 |
48000 |
20000 |
|
1460 |
108/79 |
10680 |
31150 |
10200 |
44900 |
18700 |
|
| 1760 | 125/92 | 9790 | 28900 | 9800 | 42300 | 17400 | |
Н150 |
720 |
75/55 |
13570 |
43600 |
14000 |
66750 |
26250 |
860 |
87/64 |
13130 |
41830 |
13350 |
63630 |
24900 |
|
960 |
95/70 |
12890 |
40120 |
13000 |
62120 |
24100 |
|
1160 |
108/79 |
12240 |
39160 |
12460 |
59180 |
23600 |
|
1460 |
129/95 |
11570 |
36930 |
11570 |
55620 |
22250 |
|
1760 |
150/110 |
11120 |
35600 |
11120 |
53400 |
21360 |
|
Н200 |
720 |
100/73,5 |
16000 |
53400 |
15130 |
72085 |
30000 |
860 |
116/85 |
14680 |
48950 |
14240 |
68080 |
28000 |
|
960 |
126/93 |
14100 |
47680 |
13920 |
65610 |
27000 |
|
1160 |
144/106 |
13570 |
45400 |
13350 |
63630 |
25360 |
|
1460 |
172/126,5 |
12680 |
42270 |
12680 |
60000 |
23580 |
|
1760 |
200/147 |
12000 |
40000 |
12000 |
57850 |
22690 |
|
Н300 |
720 |
150/110 |
16700 |
60700 |
16700 |
83660 |
36500 |
860 |
174/128 |
15800 |
57850 |
16000 |
79650 |
34700 |
|
960 |
189/139 |
15500 |
56100 |
15600 |
77210 |
33200 |
|
1160 |
216/159 |
14900 |
54300 |
14900 |
74310 |
32500 |
|
1460 |
258/190 |
14000 |
51200 |
14000 |
69860 |
30700 |
|
1760 |
300/220 |
13350 |
48950 |
13350 |
66750 |
29400 |
|
Н350 |
720 |
175/129 |
18900 |
72530 |
18700 |
89000 |
43600 |
860 |
203/149 |
18000 |
68970 |
17800 |
84500 |
41400 |
|
960 |
221/162 |
17700 |
67300 |
17400 |
82400 |
40300 |
|
1160 |
252/185 |
16700 |
64100 |
16700 |
79200 |
38300 |
|
1460 |
301/221 |
15800 |
60500 |
15600 |
74300 |
36500 |
|
1760 |
350/257 |
15130 |
57850 |
15100 |
71200 |
34700 |
|
H425 |
720 |
213/156,5 |
20700 |
83200 |
21100 |
111200 |
49840 |
860 |
246/181 |
19800 |
79650 |
20200 |
106800 |
47610 |
|
960 |
268/197 |
19100 |
77230 |
19700 |
103700 |
46510 |
|
1160 |
306/225 |
18500 |
73870 |
18700 |
97900 |
44500 |
|
1460 |
366/269 |
17350 |
69860 |
17800 |
93400 |
41830 |
|
1760 |
425/312 |
16900 |
66750 |
16900 |
89000 |
40050 |
|
Н500 |
720 |
250/184 |
23360 |
83200 |
23360 |
111200 |
49840 |
860 |
290/213 |
22250 |
79650 |
22470 |
106800 |
47610 |
|
960 |
315/232 |
21870 |
77160 |
21670 |
103700 |
46510 |
|
1160 |
360/265 |
20700 |
73870 |
20470 |
97900 |
44500 |
|
1460 |
430/316 |
19580 |
69860 |
19580 |
93400 |
41830 |
|
1760 |
500/367,5 |
18690 |
66750 |
18690 |
89000 |
40050 |
|
Н600 |
720 |
300/220 |
24500 |
89000 |
24250 |
115700 |
53400 |
860 |
348/256 |
23140 |
84500 |
23360 |
111200 |
50730 |
|
960 |
378/278 |
22670 |
82400 |
22770 |
107100 |
49720 |
|
1160 |
432/317 |
21800 |
79200 |
21580 |
102300 |
47610 |
|
1460 |
516/379 |
20500 |
74300 |
20470 |
97900 |
44500 |
|
1760 |
600/441 |
19580 |
71200 |
19580 |
93400 |
42720 |
|
Н750 |
720 |
375/276 |
27600 |
89000 |
27800 |
115700 |
53400 |
860 |
435/320 |
26250 |
84500 |
26700 |
111200 |
50730 |
|
960 |
473/347 |
25300 |
82800 |
26000 |
107100 |
49720 |
|
1160 |
540/397 |
24500 |
79200 |
24500 |
102300 |
47610 |
|
1460 |
645/474 |
23140 |
74300 |
23580 |
97900 |
44500 |
|
1760 |
750/551 |
22250 |
71200 |
22250 |
93400 |
42720 |
|
Н1000 |
490 |
279/205 |
34500 |
108000 |
37500 |
125000 |
60000 |
580 |
329/242 |
32000 |
102000 |
34200 |
120000 |
57800 |
|
720 |
408/300 |
30700 |
97000 |
30900 |
115700 |
53400 |
|
860 |
488/359 |
29340 |
93400 |
29700 |
111200 |
50730 |
|
960 |
544/400 |
28500 |
91700 |
29200 |
107100 |
49720 |
|
1160 |
660/485 |
27600 |
87300 |
28500 |
102300 |
47610 |
|
1460 |
830/610 |
26250 |
84500 |
27200 |
97900 |
44500 |
|
1760 |
1000/735 |
24000 |
79100 |
25000 |
93400 |
42720 |
|
Н1360 |
490 |
680/500 |
35000 |
108000 |
38600 |
125000 |
60000 |
580 |
821/604 |
32600 |
102000 |
35400 |
120000 |
57800 |
|
720 |
1020/750 |
31200 |
97000 |
31800 |
115700 |
53400 |
|
860 |
1217/895 |
29800 |
93400 |
30600 |
111200 |
50730 |
|
960 |
1360/1000 |
29700 |
91700 |
30200 |
107100 |
49720 |
|
1160 |
1643/1208 |
28200 |
87300 |
29500 |
102300 |
47610 |
|
1460 |
2067/1520 |
26900 |
84500 |
28300 |
97900 |
44500 |
|
Таблица 2А. Значения мощности и осевого усилия подшипников на разных скоростях
Скорость вертикальной оси (об/мин) |
490 |
580 |
690 |
720 |
860 |
960 |
1160 |
1460 |
1760 |
2000 |
2200 |
2400* |
2800* |
3000* |
% мощности при 1760 об/мин |
30 |
43 |
48 |
50 |
58 |
63 |
72 |
86 |
100 |
105 |
111 |
116 |
128 |
133 |
% тяги при 1760 об/мин |
150 |
144 |
136 |
134 |
126 |
122 |
115 |
106 |
100 |
96 |
92 |
90 |
85 |
83 |
Согласно стандартам NEMA

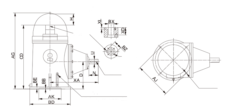
Таблица 3 Размеры (мм)
Модель |
компакт-диск |
Д |
ты |
ХА |
Н |
АГ |
ЧАС |
БЫТЬ |
БД |
Эй Джей |
АК |
ББ |
лучший друг |
Шпоночный паз 'X' |
Макс.BX |
XD |
|
РИС.1,4 |
РИС.2,3 |
||||||||||||||||
Н80 |
514 |
228.5 |
48 |
419 |
90 |
629 |
102 |
19 |
419 |
375 |
343 |
5 |
18 |
14X4,5X70 |
40 |
Никто |
45 |
H110 |
635 |
289 |
50 |
445 |
90 |
749 |
102 |
25 |
419 |
375 |
343 |
5 |
18 |
14X4,5X70 |
50 |
50 |
54 |
H125 |
635 |
289 |
50 |
445 |
90 |
749 |
102 |
25 |
419 |
375 |
343 |
5 |
18 |
14X4,5X70 |
50 |
50 |
54 |
Н150 |
762 |
336.5 |
60 |
521 |
120 |
876 |
102 |
25 |
508 |
375 |
343 |
5 |
18 |
18X5,5X95 |
55 |
55 |
60 |
Н200 |
762 |
336.5 |
60 |
521 |
120 |
876 |
102 |
25 |
508 |
375 |
343 |
5 |
18 |
18X5,5X95 |
55 |
55 |
60 |
Н300 |
870 |
381 |
70 |
610 |
140 |
1016 |
133 |
29 |
508 |
375 |
343 |
5 |
18 |
20Х6Х121 |
60 |
60 |
66 |
Н350 |
978 |
419 |
70 |
737 |
140 |
1168 |
178 |
32 |
622 |
559* |
343 |
10 |
24 |
20Х6Х121 |
60 |
60 |
76 |
H425 |
1003 |
419 |
75 |
762 |
145 |
1168 |
159 |
32 |
622 |
559* |
343 |
10 |
24 |
20Х6Х121 |
60 |
60 |
85 |
Н500 |
1003 |
419 |
90 |
787 |
170 |
1168 |
159 |
32 |
622 |
559* |
343 |
10 |
24 |
25X7X140 |
75 |
75 |
85 |
Н600 |
1080 |
419 |
95 |
838 |
190 |
1295 |
203 |
32 |
622 |
559* |
343 |
10 |
24 |
25X7X140 |
75 |
80 |
100 |
Н750 |
1162 |
482.5 |
100 |
914 |
190 |
1372 |
197 |
38 |
775 |
660 |
559 |
10 |
24 |
28X8X152 |
90 |
90 |
100 |
Н1000 |
1405 |
545 |
110 |
1043 |
210 |
1610 |
153 |
35 |
920 |
860 |
600 |
7 |
8-28 |
28X8X170 |
100 |
||
Н1360 |
1507 |
550 |
130 |
1290 |
250 |
1725 |
153 |
35 |
1250 |
1180 |
1120 |
-5 |
8-28 |
32X9X220 |
110 |
||
Примечание:
• Размеры CD и H могут измениться при использовании тягового привода тяжелого типа; Размеры XA, U, N и X могут измениться, если коэффициент уменьшения скорости составляет 7:4-4:1, пожалуйста, свяжитесь с нашей компанией.
• Размеры D, CD, AG, XA, U, N и X могут измениться, если коэффициент увеличения скорости составляет 3:4-1:2, пожалуйста, свяжитесь с нашей компанией.
• 4 случая, а именно направление вращения, показанное на РИС.2-РИС.4, тяга тяжелого типа, коэффициент уменьшения скорости 7:4~3:1 и коэффициент увеличения скорости 3:4-1:2, они производятся по специальному заказу.
• Допуск: диаметр оси U, базовая канавка AK, соединительное отверстие BX.
• 4 отверстия для винтов M16 (глубина: 25) также могут быть расположены по окружности диаметром Φ375.
При заказе коробки передач серии H укажите следующие данные:
Модель:__________.
Передаточное число (см. таблицу 1): __________, скорость насоса ___________об/мин, скорость первичного двигателя :_________об/мин.
Направление вращения:__________ .
Максимальная тяга вниз _____________, тяга вверх: __________ (Минимальная тяга вниз указана в Таблице 2).
Мощность оси насоса: _____________. Диаметр оси насоса (BX): _____________.
Режим работы: Непрерывный:_____________ Прерывистый_____________.