| Availability: | |
|---|---|
| Quantity: | |
The H Series is a heavy-duty right-angle gear drive engineered for versatility. It connects horizontal prime movers (diesel engines, electric motors, steam turbines) to vertical axis machines. With a wide range of transmission ratios, it ensures precise speed control for deep well, axial flow, and diagonal flow pumps in various climatic conditions.
Right-Angle Transmission: Converts horizontal rotation from the prime mover into vertical rotation for the pump, offering an economical and space-saving layout compared to vertical motor installations.
Integrated Axial Load Support: Engineered with heavy-duty thrust bearings to directly support the vertical axial forces generated by the pump, simplifying the overall machine structure by removing the need for external thrust stands.
Broad Compatibility: Perfectly matches with various power sources including diesel engines, horizontal motors, and steam turbines.
All-Weather Performance: Built with a rugged housing and sealing system suitable for diverse climatic conditions, from humid marine environments to dusty mining sites.
Flexible Ratios: Available in a variety of models and gear ratios to accommodate both high-speed and low-speed requirements of different prime movers and pumps.
Structural Simplicity: By absorbing the pump's axial thrust directly within the drive unit, it eliminates the need for complex intermediate structures, reducing installation time and maintenance costs.
Operational Reliability: Designed for continuous duty in harsh environments, ensuring stable water supply for critical applications like fire control and municipal waterworks.
Versatile Speed Matching: Whether you need to reduce speed for a large mixed-flow pump or match a high-speed turbine, the wide selection of gear ratios ensures optimal pump performance.
Economical & Compact: The right-angle design allows for a lower center of gravity and a more compact station footprint compared to vertical motor direct-drives, saving on infrastructure costs.
The H Series is widely deployed across critical infrastructure and industrial sectors:
| Industry / Sector | Specific Applications |
| Water Conservancy | • Farmland irrigation and drainage systems • Municipal water supply and sewage treatment • Large-scale water diversion projects |
| Industrial & Mining | • Petrochemical engineering (fluid transfer) • Metallurgical mine dewatering • Process water circulation |
| Safety & Emergency | • Fire Control Systems: Ideal for diesel-engine driven fire pumps where electricity is unavailable or as a backup. |
| Marine Engineering | • Seawater lift pumps • Offshore platform fluid management • Coastal flood control |
| Compatible Pump Types | • Long-axis pumps • Deep well pumps • Diagonal flow & Axial flow pumps • Submerged pumps |
Model Selection: Our engineering team can assist in calculating the required torque and ratio to match your specific engine and pump curve.
Customization: Custom input/output shaft dimensions available upon request.
After-Sales: Comprehensive technical support and spare parts availability.
Table 1
Vertical axis speed (r/min) | Horizontal axis speed (r/min) | |||||||
Speed increase ratio — Active: slave | ||||||||
1:2 | 4:7 | 2:3 | 3:4 | 4:5 | 5:6 | 10:11 | 1:1 | |
490 | 245 | 280 | 327 | 368 | 392 | 408 | 445 | 490 |
580 | 290 | 331 | 387 | 435 | 464 | 483 | 527 | 580 |
690 | 345 | 394 | 460 | 518 | 552 | 575 | 627 | 690 |
720 | 360 | 411 | 480 | 540 | 576 | 600 | 655 | 720 |
860 | 430 | 491 | 573 | 645 | 688 | 717 | 782 | 860 |
960 | 480 | 549 | 640 | 720 | 768 | 800 | 873 | 960 |
1160 | 580 | 663 | 773 | 870 | 928 | 967 | 1055 | 1160 |
1460 | 730 | 843 | 973 | 1095 | 1168 | 1217 | 1327 | 1460 |
1760 | 880 | 1006 | 1173 | 1320 | 1408 | 1467 | 1600 | 1760 |
3460* | 1730 | 1977 | 2307 | 2595 | 2768 | 2883 | 3145 | 3460 |
Vertical axis speed (r/min) | Horizontal axis speed (r/min) | ||||||||||
Speed decrease ratio — Active: slave | |||||||||||
11:10 | 6:5 | 5:4 | 4:3 | 3:2 | 7:4 | 2:1 | 9:4 | 5:2 | 3:1 | 4:1 | |
490 | 539 | 588 | 613 | 653 | 735 | 858 | 980 | 1103 | 1225 | 1470 | 1960 |
580 | 638 | 696 | 725 | 733 | 870 | 1015 | 1160 | 1305 | 1450 | 1740 | 2320 |
690 | 759 | 828 | 863 | 920 | 1035 | 1208 | 1380 | 1553 | 1725 | 2070 | — |
720 | 792 | 864 | 900 | 960 | 1080 | 1260 | 1440 | 1620 | 1800 | 2160 | — |
860 | 946 | 1032 | 1075 | 1147 | 1290 | 1505 | 1720 | 1935 | 2150 | 2580 | — |
960 | 1056 | 1152 | 1200 | 1280 | 1440 | 1680 | 1920 | 2160 | 2400 | 2880 | — |
1160 | 1276 | 1392 | 1450 | 1547 | 1740 | 2030 | 2320 | 2610 | 2900 | 3480 | — |
1460 | 1606 | 1752 | 1825 | 1947 | 2190 | 2555 | 2920 | 3285 | 3650 | — | — |
1760 | 1936 | 2112 | 2200 | 2347 | 2640 | 3080 | 3520 | — | — | — | — |
Please consult our company
Model | Vertical axis speed (r/min) | Power HP/kW | Standard | Heavy type | Two-way | ||
Single downward thrust (N) | Single downward thrust (N) | Maximum downward or upward thrust(N) | |||||
| Minimum | Maximum | Minimum | Maximum | ||||
H80 | 860 | 46/34 | 9120 | 32900 | 6675 | 43200 | 19600 |
960 | 50/37 | 8980 | 31540 | 42100 | 19100 | ||
1160 | 58/43 | 8680 | 30700 | 40500 | 18250 | ||
1460 | 69/51 | 8000 | 28500 | 36900 | 16910 | ||
| 1760 | 80/60 | 7560 | 26700 | 35600 | 13350 | ||
H110 | 860 | 63/46 | 10450 | 32900 | 8000 | 43200 | 19600 |
960 | 69/51 | 9920 | 31540 | 42100 | 19100 | ||
1160 | 80/60 | 9790 | 30700 | 40500 | 18250 | ||
1460 | 95/70 | 9120 | 28500 | 37800 | 16910 | ||
| 1760 | 110/81 | 8450 | 26700 | 35600 | 13350 | ||
H125 | 720 | 63/46 | 12900 | 37800 | 12460 | 54300 | 22700 |
860 | 72/53 | 12000 | 35600 | 11800 | 51600 | 21400 | |
960 | 79/58 | 11780 | 34790 | 11560 | 50400 | 21000 | |
1160 | 90/66 | 11350 | 33400 | 11100 | 48000 | 20000 | |
1460 | 108/79 | 10680 | 31150 | 10200 | 44900 | 18700 | |
| 1760 | 125/92 | 9790 | 28900 | 9800 | 42300 | 17400 | |
H150 | 720 | 75/55 | 13570 | 43600 | 14000 | 66750 | 26250 |
860 | 87/64 | 13130 | 41830 | 13350 | 63630 | 24900 | |
960 | 95/70 | 12890 | 40120 | 13000 | 62120 | 24100 | |
1160 | 108/79 | 12240 | 39160 | 12460 | 59180 | 23600 | |
1460 | 129/95 | 11570 | 36930 | 11570 | 55620 | 22250 | |
1760 | 150/110 | 11120 | 35600 | 11120 | 53400 | 21360 | |
H200 | 720 | 100/73.5 | 16000 | 53400 | 15130 | 72085 | 30000 |
860 | 116/85 | 14680 | 48950 | 14240 | 68080 | 28000 | |
960 | 126/93 | 14100 | 47680 | 13920 | 65610 | 27000 | |
1160 | 144/106 | 13570 | 45400 | 13350 | 63630 | 25360 | |
1460 | 172/126.5 | 12680 | 42270 | 12680 | 60000 | 23580 | |
1760 | 200/147 | 12000 | 40000 | 12000 | 57850 | 22690 | |
H300 | 720 | 150/110 | 16700 | 60700 | 16700 | 83660 | 36500 |
860 | 174/128 | 15800 | 57850 | 16000 | 79650 | 34700 | |
960 | 189/139 | 15500 | 56100 | 15600 | 77210 | 33200 | |
1160 | 216/159 | 14900 | 54300 | 14900 | 74310 | 32500 | |
1460 | 258/190 | 14000 | 51200 | 14000 | 69860 | 30700 | |
1760 | 300/220 | 13350 | 48950 | 13350 | 66750 | 29400 | |
H350 | 720 | 175/129 | 18900 | 72530 | 18700 | 89000 | 43600 |
860 | 203/149 | 18000 | 68970 | 17800 | 84500 | 41400 | |
960 | 221/162 | 17700 | 67300 | 17400 | 82400 | 40300 | |
1160 | 252/185 | 16700 | 64100 | 16700 | 79200 | 38300 | |
1460 | 301/221 | 15800 | 60500 | 15600 | 74300 | 36500 | |
1760 | 350/257 | 15130 | 57850 | 15100 | 71200 | 34700 | |
H425 | 720 | 213/156.5 | 20700 | 83200 | 21100 | 111200 | 49840 |
860 | 246/181 | 19800 | 79650 | 20200 | 106800 | 47610 | |
960 | 268/197 | 19100 | 77230 | 19700 | 103700 | 46510 | |
1160 | 306/225 | 18500 | 73870 | 18700 | 97900 | 44500 | |
1460 | 366/269 | 17350 | 69860 | 17800 | 93400 | 41830 | |
1760 | 425/312 | 16900 | 66750 | 16900 | 89000 | 40050 | |
H500 | 720 | 250/184 | 23360 | 83200 | 23360 | 111200 | 49840 |
860 | 290/213 | 22250 | 79650 | 22470 | 106800 | 47610 | |
960 | 315/232 | 21870 | 77160 | 21670 | 103700 | 46510 | |
1160 | 360/265 | 20700 | 73870 | 20470 | 97900 | 44500 | |
1460 | 430/316 | 19580 | 69860 | 19580 | 93400 | 41830 | |
1760 | 500/367.5 | 18690 | 66750 | 18690 | 89000 | 40050 | |
H600 | 720 | 300/220 | 24500 | 89000 | 24250 | 115700 | 53400 |
860 | 348/256 | 23140 | 84500 | 23360 | 111200 | 50730 | |
960 | 378/278 | 22670 | 82400 | 22770 | 107100 | 49720 | |
1160 | 432/317 | 21800 | 79200 | 21580 | 102300 | 47610 | |
1460 | 516/379 | 20500 | 74300 | 20470 | 97900 | 44500 | |
1760 | 600/441 | 19580 | 71200 | 19580 | 93400 | 42720 | |
H750 | 720 | 375/276 | 27600 | 89000 | 27800 | 115700 | 53400 |
860 | 435/320 | 26250 | 84500 | 26700 | 111200 | 50730 | |
960 | 473/347 | 25300 | 82800 | 26000 | 107100 | 49720 | |
1160 | 540/397 | 24500 | 79200 | 24500 | 102300 | 47610 | |
1460 | 645/474 | 23140 | 74300 | 23580 | 97900 | 44500 | |
1760 | 750/551 | 22250 | 71200 | 22250 | 93400 | 42720 | |
H1000 | 490 | 279/205 | 34500 | 108000 | 37500 | 125000 | 60000 |
580 | 329/242 | 32000 | 102000 | 34200 | 120000 | 57800 | |
720 | 408/300 | 30700 | 97000 | 30900 | 115700 | 53400 | |
860 | 488/359 | 29340 | 93400 | 29700 | 111200 | 50730 | |
960 | 544/400 | 28500 | 91700 | 29200 | 107100 | 49720 | |
1160 | 660/485 | 27600 | 87300 | 28500 | 102300 | 47610 | |
1460 | 830/610 | 26250 | 84500 | 27200 | 97900 | 44500 | |
1760 | 1000/735 | 24000 | 79100 | 25000 | 93400 | 42720 | |
H1360 | 490 | 680/500 | 35000 | 108000 | 38600 | 125000 | 60000 |
580 | 821/604 | 32600 | 102000 | 35400 | 120000 | 57800 | |
720 | 1020/750 | 31200 | 97000 | 31800 | 115700 | 53400 | |
860 | 1217/895 | 29800 | 93400 | 30600 | 111200 | 50730 | |
960 | 1360/1000 | 29700 | 91700 | 30200 | 107100 | 49720 | |
1160 | 1643/1208 | 28200 | 87300 | 29500 | 102300 | 47610 | |
1460 | 2067/1520 | 26900 | 84500 | 28300 | 97900 | 44500 | |
Table 2A Power and Bearing Thrust Values at Different Speeds
Vertical axis speed (r/min) | 490 | 580 | 690 | 720 | 860 | 960 | 1160 | 1460 | 1760 | 2000 | 2200 | 2400* | 2800* | 3000* |
% of power at 1760r/min | 30 | 43 | 48 | 50 | 58 | 63 | 72 | 86 | 100 | 105 | 111 | 116 | 128 | 133 |
% of thrust at 1760r/min | 150 | 144 | 136 | 134 | 126 | 122 | 115 | 106 | 100 | 96 | 92 | 90 | 85 | 83 |
According to NEMA Standards

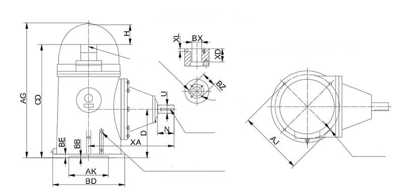
Table 3 Dimensions (mm)
Model | CD | D | U | XA | N | AG | H | BE | BD | AJ | AK | BB | BF | Keyway "X" | Max.BX | XD | |
FIG.1,4 | FIG.2,3 | ||||||||||||||||
H80 | 514 | 228.5 | 48 | 419 | 90 | 629 | 102 | 19 | 419 | 375 | 343 | 5 | 18 | 14X4.5X70 | 40 | None | 45 |
H110 | 635 | 289 | 50 | 445 | 90 | 749 | 102 | 25 | 419 | 375 | 343 | 5 | 18 | 14X4.5X70 | 50 | 50 | 54 |
H125 | 635 | 289 | 50 | 445 | 90 | 749 | 102 | 25 | 419 | 375 | 343 | 5 | 18 | 14X4.5X70 | 50 | 50 | 54 |
H150 | 762 | 336.5 | 60 | 521 | 120 | 876 | 102 | 25 | 508 | 375 | 343 | 5 | 18 | 18X5.5X95 | 55 | 55 | 60 |
H200 | 762 | 336.5 | 60 | 521 | 120 | 876 | 102 | 25 | 508 | 375 | 343 | 5 | 18 | 18X5.5X95 | 55 | 55 | 60 |
H300 | 870 | 381 | 70 | 610 | 140 | 1016 | 133 | 29 | 508 | 375 | 343 | 5 | 18 | 20X6X121 | 60 | 60 | 66 |
H350 | 978 | 419 | 70 | 737 | 140 | 1168 | 178 | 32 | 622 | 559* | 343 | 10 | 24 | 20X6X121 | 60 | 60 | 76 |
H425 | 1003 | 419 | 75 | 762 | 145 | 1168 | 159 | 32 | 622 | 559* | 343 | 10 | 24 | 20X6X121 | 60 | 60 | 85 |
H500 | 1003 | 419 | 90 | 787 | 170 | 1168 | 159 | 32 | 622 | 559* | 343 | 10 | 24 | 25X7X140 | 75 | 75 | 85 |
H600 | 1080 | 419 | 95 | 838 | 190 | 1295 | 203 | 32 | 622 | 559* | 343 | 10 | 24 | 25X7X140 | 75 | 80 | 100 |
H750 | 1162 | 482.5 | 100 | 914 | 190 | 1372 | 197 | 38 | 775 | 660 | 559 | 10 | 24 | 28X8X152 | 90 | 90 | 100 |
H1000 | 1405 | 545 | 110 | 1043 | 210 | 1610 | 153 | 35 | 920 | 860 | 600 | 7 | 8-28 | 28X8X170 | 100 | ||
H1360 | 1507 | 550 | 130 | 1290 | 250 | 1725 | 153 | 35 | 1250 | 1180 | 1120 | -5 | 8-28 | 32X9X220 | 110 | ||
Note:
• Dimensions of CD and H may change when the heavy type thrust drive is used; Dimensions of XA, U, N and X may change when the speed decrease ratio is 7:4-4:1, please contact our company.
• Dimensions of D, CD, AG, XA, U, N and X may change when the speed increase ratio is 3:4-1:2, please contact our company.
• 4 cases, namely the direction of rotation shown in FIG.2-FIG.4, heavy type thrust, speed decrease ratio of 7:4~3:1, and the speed increase ratio of 3:4-1:2, it is produced according to the special order.
• Tolerance: Axis diameter U, base groove AK, coupling hole BX
• 4 pieces of M16 screw holes (depth: 25) can also be arranged on the circumference of a circle with the diameter of Φ375.
When ordering the H-Series gearbox, please provide the following data:
Model:__________.
Transmission ratio (see Table 1): __________, speed of pump ___________r/min, speed of prime mover :_________r/min.
Direction of rotation:__________ .
Maximum downward thrust _____________, upward thrust:__________(Minimum downward thrust is shown in Table 2).
Pump axle power: _____________. Pump axle diameter (BX):_____________.
Operation mode: Continuous:_____________ Interrupted_____________.