TYPICAL WP-1 VERTICAL HOLLOW SHAFT CONSTRUCTION

1.Durable light weight FRP top cover
2.Deep set oil bath lubrication system for 320TP frames and above
3.Dual Chrome lifting lugs
4.Oversized cast iron conduit box
5.U.L approved insulation system, NEMA MG-1 Part 31 Inverter Duty, Non Hydroscopic Epoxy Varnish, Double VPI Treatment
6.Precision cast "P" base design which allows motor to mount without taking of rodent screen
7.Dual air flow system. Lower bracket has multiple air-ducts which is conducive for superior cooling throughout the motor with non-corrosive rodent screens upper & lower
8.Precision balanced die cast aluminum rotor with anti-rust paint finish. Rotor is made from 600 grade silicon steel to minimize core loss
9.Class F insulation with Class B Temp Rise @ 1.15 S.F
10.All Stainless Steel full data nameplate
11.Twist spigot oil drain
12.Oversized one piece sight glass
13.Upper bracket machined for 175% EHT on 440 frames and above.
14.Handle grip oil fill plug for ease of removing and reinstalling
15.12 ball "Ball Type" Non Reverse Ratchet made from ductile iron for superior rigidity
Mechanical Product Features
• Proven American Frame Design
• Unsurpassed Dual Air Flow Ventilation System
• High Grade All Cast Iron Construction
• Top Cover of Durable Fiberglass Reinforced Plastic
• Handle Grip Oil Fill Plug
• Deep Set Oil Bath Lubrication frames 440TP
• 5810P - Oversized Oil Sight Glass
• Superior Ball Type Ratchet Assembly
• Stainless Steel Louvered Rodent Screens
• Precision Balance of Rotating Assembly
• Upper Bracket with Spacer Machined for Installation of EHT 175%
Electrical Product Features
• UL Inverter Duty Wire
• Stainless Steel Full Data Nameplate
• Premium Class "F" Insulation
• Double VPI Treatment
• MG - 1 Part 31 Capable
• Space Heaters and Thermal Protected
• Full Data Pack Available Upon Request for each HP
• Tropicalized insulation
• Low Core Loss Silicone Laminations
• UL Insulation System Approval Rating
VERTICAL HOLLOW SHAFT MOTOR DATA
NEMA STANDARD

VERTICAL HOLLOW SHAFT MOTOR DATA
IEC STANDARD

PRECISION BALANCING PROCEDURES
Wangyang’s vertical hollow shaft motors are to have precision balancing to ensure premium performance and long motor life for each and every motor. We test our motors with vibration monitors to detect different levels of vibration to allow our machinist to make corrections if necessary. All rotating parts are balanced individually before the motor is assembled.
In certain circumstances even if all parts are balanced to normal tolerances, when assembled to form a complete motor and rotate in the same direction, this may cause cumulative error. Therefore we test the complete unit as well to a precision balance of .00085" to ensure a smooth well balanced motor.
1.SMALL ROTATING PARTS DYNAMICALLY BALANCED Rotor, thrust bearing, coupling, and backstops are all dynamically balanced on an electronically controlled machine. | 2.DYNAMICALLY BALANCED ROTOR Dynamic balanced rotor assembly is similarly perfected on electronic machine that measures correction. | 3.ENTIRE MOTOR CHECKED FOR BALANCE TO .00085" VIBRATION Vibration monitor measures overall movement of assembled motor. Precision tolerance of only .00085". | 4.REFINED BALANCE OF ASSEMBLED MOTOR COMPLETED Precision balancing is achieved in step 3 by tempering lead weights in upper bearing mount. |
![]() | ![]() | ![]() | ![]() |
PREMIUM QUALITY COMPONENTS & ACCESSORY PARTS
OVERSIZED THRUST BEARINGS TO WITHSTAND
DEMANDING THRUST LOADS
Wangyang vertical hollow shaft motors thrust bearings are oversized for long life. Trouble free Bearing operation is assured with visible oil levels, low friction bronze bearing retainer, precision cast bearing housing, deep oil bath, and precision balanced bearings.
BEARING OPTIONS FOR EXTRA HIGH THRUST APPLICATIONS
Where higher thrust requirements exists, Wangyang offer options to match the thrust requirements for long term operation. We took provisions for stacking bearings by having a "spacer bearing" need only be removed and a matched bearing installed in its place to make an easy modification. For even a higher thrust demand, spherical roller bearings with copper cooling tubes are furnished.

BALL TYPE" NON REVERSE RATCHET
LOCKS INSTANTLY AGAINST PUMP SHAFT BACKSPIN
When motor current ceases, water column receding to normal water level causes pump backspin. The preferred ball type non reverse ratchet is the best design to prevent this backspin. Possibility of reverse operation is also eliminated. The ball type consists of an outer rotating member with a series of channels positioned at a compound angle outwardly and upwardly. When the motor starts, the balls rise by centrifugal action free of the ratchet. When the motor is shut — off and as the drop slows down, the free of rolling balls drop down their respective channels, instantly locking against reversal of the pump shaft when the motor reaches a dead stop. Wangyang ratchets are made from ductile iron and the balls are made from durable steel.

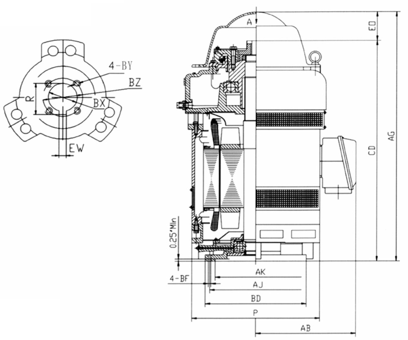
VERTICAL HOLLOW SHAFT MOTOR DIMENSION
NEMA STANDARD WP1


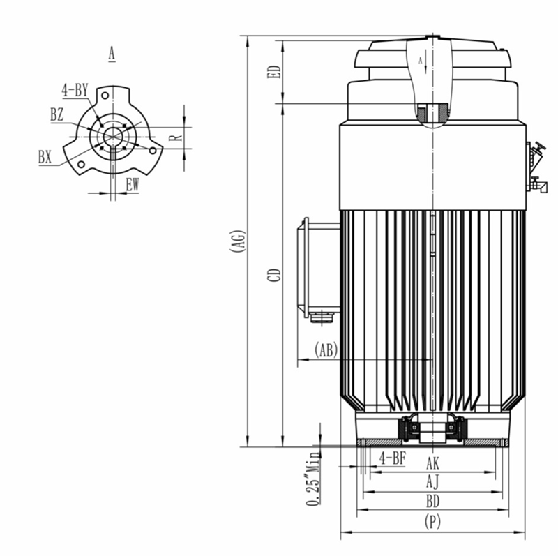
VERTICAL HOLLOW SHAFT MOTOR DIMENSION
NEMA STANDARD TEFC


VERTICAL HOLLOW SHAFT MOTOR DIMENSION
IEC STANDARD

