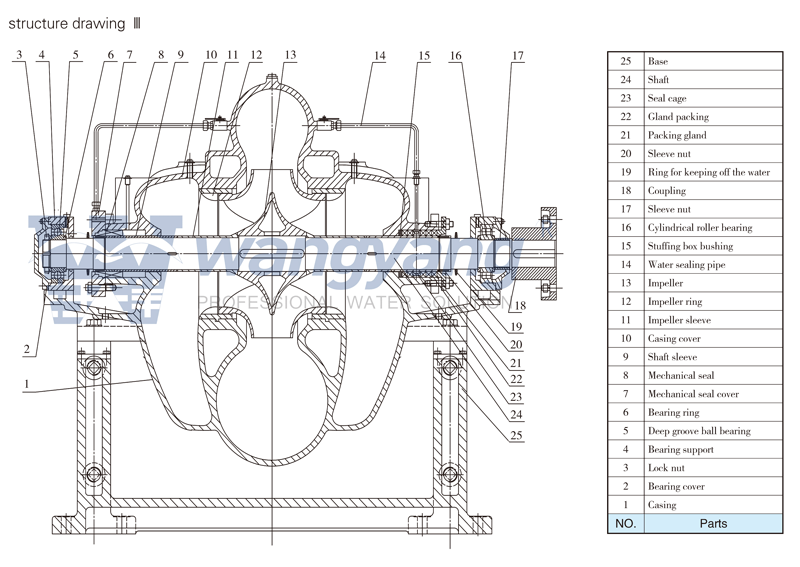
XS type split case pump is a new generation of high performance single-stage double -suction centrifugal split case pump. They are mainly used in delivering liquids of the water plant, airconditioner circulation water, heating pipe network system, building water supply, irrigation and drainage of pump stations, power plants, industrial water supply system, fire protection, ships industry and mine.
Model Explanation
For example: XS 250 - 450A - L(R) - J
XS: advanced type split case pump
250: pump outlet diameter
450: standard impeller diameter
A: Changed outer diameter of impeller (the max diameter without mark)
L: vertical mount
R: heating water
J: Pump speed changed (Maintain the speed without mark)
Pump Supporting Program and Services
We value the energy saving and environmental protection, by analyzing the requirements of media and operation environment, adopt optimal combinations of materials at the parts contact with media, insure security, reliability, economical operation.
• Pump outlet diameter: Dn: 80 - 900mm
• Capacity: Q: 22 - 16236m³/h
• Head: H: 7 - 300m
• Temperature: T: -20℃ - 200℃
• Solid parameter: ≤80mg/L
• Permissible pressure: ≤5Mpa
1.Type XS split case pumps work stably with less noise and vibration, may be properly work at raising speed due to short spacing between both side supports, thus they can be widely used.
2.The pipelines arrangement of type XS split case pump looks simple and beautiful due to inlet and outlet at the same line.
3.The same rotor of type XS split case pumps can be operated in reverse direction to avoid damage to the pumps by water hammer.
4.Unique design of high temperature form: using middle support, thickening the pump casing, using cooling seals and oil lubrication bearing, make XS split case pump suitable for working at 200℃, especially for supplying heating net system.
5.Type XS split case pump can be vertically or horizontally mounted according to different working condition, with mechanical seals or packing seals.
6.With industrial design, the outline of XS split case pump is clear and beautiful in line with modern aesthetics.
7.The efficiency of XS split case pumps are 2% - 3% higher than the same type pumps due to adopting advanced hydraulic model and thus reduce the operating costs significantly.
8.The NPSHr of type XS split case pumps are 1 - 3 meters lower than the same split type pumps which reduced the foundation costs and extend the using life.
9.Choosing import brand bearing, and other parts material chosen by customer, make the pump suitable for any operation condition and reduce the maintenance cost significantly.
10.It is not necessary to adjust mechanical seals, so it is very easy and simple to replace them.
11.It is rapid and simple to assemble and dismount the rotor parts due to using elastic prestress assembling.
12.It is unnecessary to make adjustment to any clearance when assembling.
|
|
|
|
|
|
|
|